一、概述
本机是一种小型的润滑泵,可直接安装于机器的壁板或机架上,由人力扳动手柄,排出润滑脂,可与双线分配器组成手动集中润滑系统,向机器的各个润滑点供送定量润滑脂;适用于频率较低(一般给油间隔8小时以上),配管(DN 15)长度不超过50米,润滑点不超过80点的单机小型设备上,作为集中润滑供送润滑脂的装置。
|
|
|
二、技术参数
型 号 |
公称压力Mpa |
给油量ml/循环 |
贮油筒容积 |
重量kg |
标准型号 |
引进型号 |
SRB-J7Z-2 |
FB-4A |
10 |
7 |
2 |
18 |
SRB-J7Z-5 |
FB-6A |
5 |
21 |
SRB-L3.5Z-2 |
FB-42A |
20 |
3.5 |
2 |
18 |
SRB-L3.5Z-5 |
FB-62A |
5 |
21 |
使用介质为锥入度310-385(25℃,150g)1/10mm的润滑脂(NLGI0#-1#)和粘度等级大于N68的润滑油,适用环境温度-10℃~40℃。 |
| |
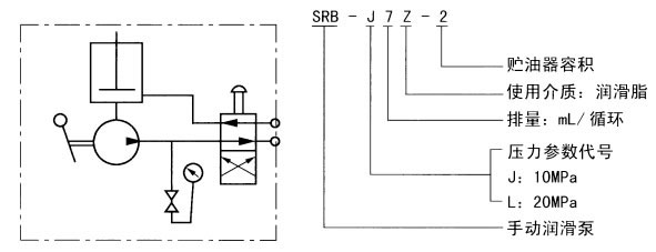
| 三、原理图 |
|
 |
| |
| 四、外形尺寸 |
 |
型号 |
H |
H1 |
SRB-J7Z-2 |
576 |
370 |
SRB-J7Z-5 |
1196 |
680 |
SRB-L3.5Z-2 |
576 |
370 |
SRB-L3.5Z-5 |
1196 |
680 |
|
| |
| 五、动作说明 |
手动润滑泵供脂是由人工摆动手柄,通过小齿轮带动有齿条的供油柱塞往复运动实现的。当柱塞处于右端极限位置时,右端腔室压油结束,左端腔室吸油完毕。当摆动手柄,柱塞向左运动时,先关闭左腔室吸口,挤压润滑脂顶开单向阀经换向阀流道进入供油主管路Ⅱ内排出;此时柱塞右腔室的容积增大形成真空,其真空度逐渐增大,当柱塞运动到左端极限位置,右腔室吸口打开,在大气的作用下,润滑脂被吸入,反向上述动作,润滑脂顶开单向阀经换向阀流道进入供油主管路JJ排出。供油过程中的换向是通过换向阀的换向实现的。当把换向阀手钮推进时,则润滑脂从主管路II排出,当把换向阀手钮拉出时,则润滑脂从主管路I排出。
|
 |
六、操作方法
1、将换向阀手钮推进至极限位置,供油主管lI供油。
2、摆动手柄前后运动,压力表指针波动变化,证明系列分配器在给油。
3、泵上压力表指示压力值上升保持稳定,证明系统分配器全部动作完成。
4、将换向阀手钮拉出至极限位置,供油主管I供油,按2、3条进行操作。
5、卸除管路压力,换向至供油主管II,为下一个工作循环准备,手柄扳至垂直位置。
七、使用说明
1、手动润滑泵应垂直安装,泵的上方及周围要留有指示杆上升及补脂操作的空间,需在室外或环境恶劣的场合安装时,应将泵置于防护罩内。
2、贮油器内无润滑脂时,不许操纵手柄,下油位应及时补脂。
3、向贮油器内加注润滑脂,必须使用专用的手动或电动加油泵从加油口充填。
4、泵使用压力不许超过泵的公称压力。
5、泵加油口的过滤网应定期检查、清洗。
|
故障现象 |
故障原因 |
排除方法 |
泵的输出压力升不上去 |
1.压力表损坏
2.贮油器和配管里进入空气
3.保险片破裂
4.使用时间很长,柱塞与套过度磨损
|
1.更换压力表
2.打开排气阀排气
3.更换保险片
4.更换零件 |
泵的输出压力急剧上升 |
1.换向阀换向未到位
2.管路阻塞
3.分配器动作不良 |
1.换向位阀
2.检查管路
3.观察分配器动作情况 |
|
| |