一、概述
KJ、KM、KL系列单线递进式分配器,适用于润滑点密集、耗脂量不同,给油频繁单线集中润滑系统中,组成子母式分配系统实现分区控制进行润滑的场合。
KJ、KM、KL系列单线递进式分配器,它由中碳合金结构钢制造的供给体、端部体和3~8片根据设计需要所确定的给油量和出油口数的中间体组合而成。分配器的正常出口设置于分配器的两侧面,在上面还设置有预备出口,各中间体的出油口内均装有止回阀,能彻底防止因润滑点背压作用而产生润滑脂的逆流,保证了各出油口的给油量定量、准确。
|
|
|
| 二、技术参数 |
|
型式 |
KJ |
活塞种类 |
5T |
5S |
10T |
10S |
15T |
15S |
10T |
给油量ml/循环 |
0.082 |
0.164 |
0.164 |
0.328 |
0.246 |
0.492 |
0.164 |
出油口数 |
2 |
1 |
2 |
1 |
2 |
1 |
2 |
最高压力 |
14Mpa 7Mpa |
型式 |
KM |
活塞种类 |
10S |
15T |
15S |
20T |
20S |
25T |
25S |
30T |
30S |
35T |
35S |
给油量ml/循环 |
0.328 |
0.246 |
0.492 |
0.328 |
0.656 |
0.413 |
0.820 |
0.492 |
0.984 |
0.574 |
1.148 |
出油口数 |
1 |
2 |
1 |
2 |
1 |
2 |
1 |
2 |
1 |
2 |
1 |
最高压力 |
21Mpa 10Mpa |
型式 |
KL |
活塞种类 |
25T |
25S |
50T |
50S |
75T |
75S |
100T |
100S |
125T |
125S |
150T |
150S |
给油量ml/循环 |
0.410 |
0.820 |
0.820 |
1.640 |
1.230 |
2.460 |
1.640 |
3.280 |
2.050 |
4.100 |
2.460 |
4.920 |
出油口数 |
2 |
1 |
2 |
1 |
2 |
1 |
2 |
1 |
2 |
1 |
2 |
1 |
最高压力 |
21Mpa 10Mpa |
|
适用介质为锥入度不低于265(25℃,150g)1/10mm的润滑脂或粘度等级大于N120的润滑油:
适用环境温度为-10℃~80℃。 |
| |
| 三、动作说明 |
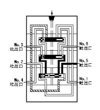
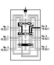
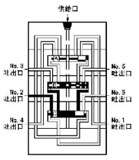
| 1、通过润滑泵加压送出的润滑剂,经供给口流入按图示箭头方向分别推动活塞A、B、C 动作。此时活塞A、B左腔在油压的作用下处在右位不动,活塞C右腔进入压力,油开始向左移动。 |
|
| 2、流入的润滑剂推动活塞C向左移动,左腔的润滑剂压向NO.1吐出口经外部配管送向润滑点。当活塞C运动至左极限时活塞B右腔开始进入润滑剂。 |
|
| 3、流入的润滑剂推动活塞B向左移动,左腔的润滑剂压向NO.2吐出口经外部配管送向润滑点。当活塞B运动至左极限时活塞A 右腔开始进入润滑剂。 |
|
| 4、流入的润滑剂推动活塞A向左移动、左腔的润滑剂压向NO.3吐出口经外部配管送向润滑点。当活塞A运动至左极限时活塞C右腔开始进入润滑剂。 |
|
5、流入的润滑剂推动活塞C向右移动、右腔的润滑剂压向NO.4吐出口经外部配管送向润滑点。当活塞C运动至右极限时活塞B左腔开始进入润滑剂。
|
|
6、流入的润滑剂推动活塞B向右运动、右腔的润滑剂压向NO.5吐出口,经外部配管送向润滑点。当活塞B移动到至右极限时活塞A左腔开始进入润滑剂。
|
|
| 7、流入的润滑剂推动活塞A 向右运动、右腔的润滑剂压向NO.6吐出口,经外部配管送向润滑点。当活塞A移动到至右极限时返回到初始1状态,继续重复上述动作。 |
|
|
| |
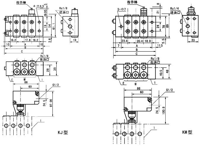
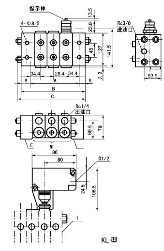
| 四、外形尺寸 |
|
|
KJ-*不带循环指示器和循环开关时尺寸参数表 |
形式 |
组合片数 |
A |
B |
C |
供给口径 |
吐出口径 |
最大吐出口数 |
重量kg |
L |
M |
E |
KJ-3 |
1 |
3 |
1 |
67.6 |
87.6 |
91.1 |
Rc1/8 |
Rc1/8 |
6 |
1.3 |
KJ-4 |
1 |
4 |
1 |
85.2 |
105.2 |
108.7 |
8 |
1.5 |
KJ-5 |
1 |
5 |
1 |
102.8 |
122.8 |
126.3 |
10 |
1.8 |
KJ-6 |
1 |
6 |
1 |
120.4 |
140.4 |
143.9 |
12 |
2.0 |
KJ-7 |
1 |
7 |
1 |
138 |
158 |
161.5 |
14 |
2.3 |
KJ-8 |
1 |
8 |
1 |
155.6 |
175.6 |
179.1 |
16 |
2.5 |
|
| |
KM-*不带循环指示器和循环开关时尺寸参数表 |
形式 |
组合片数 |
A |
B |
C |
供给口径 |
吐出口径 |
最大吐出口数 |
重量kg |
L |
M |
E |
KM-3 |
1 |
3 |
1 |
83.1 |
101.1 |
112 |
Rc1/8 |
Rc1/8 |
6 |
2.9 |
KM-4 |
1 |
4 |
1 |
103.5 |
122 |
133 |
8 |
3.5 |
KM-5 |
1 |
5 |
1 |
123.9 |
142.4 |
153 |
10 |
4.0 |
KM-6 |
1 |
6 |
1 |
144.3 |
162.8 |
173 |
12 |
4.6 |
KM-7 |
1 |
7 |
1 |
164.7 |
183.2 |
194 |
14 |
5.2 |
KM-8 |
1 |
8 |
1 |
185.1 |
203.6 |
214 |
16 |
5.7 |
|
| |
KL-*不带循环指示器和循环开关时尺寸参数表 |
形式 |
组合片数 |
A |
B |
C |
供给口径 |
吐出口径 |
最大吐出口数 |
重量kg |
L |
M |
E |
KL-3 |
1 |
3 |
1 |
125.6 |
141.6 |
168 |
Rc3/8 |
Rc1/4 |
6 |
11.1 |
KL-4 |
1 |
4 |
1 |
154 |
170 |
196 |
8 |
13.3 |
KL-5 |
1 |
5 |
1 |
182.4 |
198.4 |
225 |
10 |
15.5 |
KL-6 |
1 |
6 |
1 |
210.8 |
226.8 |
253 |
12 |
17.7 |
KL-7 |
1 |
7 |
1 |
239.2 |
255.2 |
282 |
14 |
19.9 |
KL-8 |
1 |
8 |
1 |
267.6 |
283.6 |
310 |
16 |
22.1 |
|
| |
| 五、型号说明 |
 |
| |
六、超压指示器
安装于分配器的预备出口,当润滑点或管路阻塞时,压力升高超过规定值时,指示器外部稍伸出。通过系统发出的故障信号,现场查找指示器有否伸出就可直接查到所阻塞的部位。 |
|
七、溢流指示器
安装于环境恶劣易发生阻塞部位的各分配器预备出口上,当润滑点或管路阻塞时,压力异常升高超过规定值时,分配器被阻塞点的所供脂从溢流口向外溢出,经查看溢流点即为被阻塞的故障点。
只适用于连续作业部位,不许影响其它分配器动作的场合。
吐出口标记说明:
T:为基本标准型,有二个出口分别从中
间体二侧出油。
S:只有一个出口(T 型二出口相通),油
量是T 型的二倍,左侧或右侧出油均可。
LC:没有左出口,从进油方向看左侧出口
与邻接的后一片出口合并油量。
RC:没有右出口,从进油方向看右侧出口
与邻接的后一片出口合并油量。
2C:没有出口,左右出口均与邻接的后一
片出口合并油量。 |
| |
八、订货须知
订货时用完整的型号订购并提供联接示意图。
例:KM-3(15T+25T2C+30S)R |
 |
| |
| |