| 一、使用条件 |
Y型系列过滤器是石油、化工等输送管线上必不可少的设备,具有结构紧凑,使用方便,过滤能力大,压力损失小,安全可靠,价格低廉等优点。本产品规格齐全,适用性强,若将它安装在泵的入口或系统管线的有关部位,可提高泵及设备的使用寿命,又能保证整个系统安全稳定的运行。
过滤器是从流体中分离固体颗粒的过程,通常在压差推动下,迫使流、固相混合物通过过滤介质使固体颗粒截留于介质上,达到使流体和固体互相分离的功能。
|
|
|
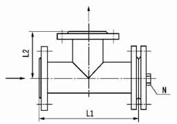
| 二、技术参数及外形尺寸 |
YZ- Ⅰ型(4MPa)
 |
公称直径DN |
D0 |
L |
H |
管塞螺纹N |
15 |
Rc1/2″ |
120 |
160 |
ZG1/4″ |
20 |
Rc3/4″ |
130 |
170 |
ZG1/4″ |
25 |
Rc1″ |
140 |
175 |
ZG1/4″ |
32 |
Rc1 1/4″ |
170 |
185 |
ZG1/4″ |
40 |
Rc1 1/2″ |
190 |
195 |
ZG1/4″ |
50 |
Rc2″ |
220 |
210 |
ZG3/8″ |
YZ-Ⅰ型为整体铸造螺纹连接式过滤器(DN15~50,PN≤4.0MPa) |
|
YZ- Ⅱ型(10MPa)
 |
公称直径DN |
D0 |
L |
H |
管塞螺纹N |
15 |
21.8/18.5 |
120 |
170 |
ZG1/4″ |
20 |
27.4/25.5 |
130 |
180 |
ZG1/4″ |
25 |
34.2/32.5 |
140 |
185 |
ZG1/4″ |
32 |
42.9/38.5 |
170 |
210 |
ZG1/4″ |
40 |
48.8/48.5 |
190 |
220 |
ZG1/4″ |
YZ-Ⅱ型为整体铸造承插焊连接式过滤器(DN15~40,PN≤10.0MPa)
|
|
Y- Ⅰ型(5MPa)
 |
型 号 |
公称直径DN |
公称压力PN |
L |
H |
管塞螺纹N |
Y15-I |
15 |
|
260 |
180 |
ZG1/4″ |
Y20-I |
20 |
|
270 |
190 |
ZG1/4″ |
Y25-I |
25 |
≤5.0MPa |
270 |
190 |
ZG1/4″ |
Y32-I |
32 |
|
280 |
230 |
ZG1/4″ |
Y40-I |
40 |
|
280 |
230 |
ZG1/4″ |
Y-Ⅰ型为焊接型法兰连接式过滤器(DN15~40,PN≤5.0MPa)
|
|
Y-Ⅱ型(5MPa)
 |
公称直径DN |
L |
H |
管塞螺纹N |
50 |
290 |
245 |
ZG3/8" |
65 |
320 |
280 |
ZG3/8" |
80 |
350 |
315 |
ZG3/8" |
100 |
425 |
360 |
ZG3/8" |
150 |
540 |
460 |
ZG3/4" |
200 |
700 |
540 |
ZG3/4" |
250 |
800 |
660 |
M20×1.5 |
300 |
950 |
750 |
M20×1.5 |
350 |
1050 |
845 |
M20×1.5 |
400 |
1250 |
920 |
M20×1.5 |
Y-Ⅱ型焊接型法兰连接式过滤器
|
|
Y-Ⅲ型(5MPa)
 |
公称直径DN |
L |
H |
管塞螺纹N |
80 |
330 |
150 |
ZG3/8" |
100 |
360 |
160 |
ZG3/8" |
150 |
440 |
200 |
ZG3/4" |
200 |
540 |
230 |
ZG3/4" |
250 |
600 |
270 |
M20×1.5 |
300 |
680 |
300 |
M20×1.5 |
350 |
750 |
340 |
M20×1.5 |
400 |
850 |
380 |
M20×1.5 |
Y-Ⅲ型焊接型法兰连接式过滤器
|
|
| 三、型号标注说明 |
|
四、工作原理
Y-Ⅰ型、Y-Ⅱ型,它们是由主管和支管按一定角度焊接而成,当液体进入置有相应规格滤网的滤筒后,其微小杂质滤至支管底部,而滤液则由过滤器出口排出。
Y-Ⅲ型它安装在管线转弯处,当流体进入滤筒后,滤液能转过90°从出口排出。清洗时,旋开支管底部的旋塞或拆卸开板即可。
五、滤网规格及各部分材质 |
滤 网 规 格 |
目数/英寸 |
20 |
30 |
40 |
60 |
80 |
100 |
丝径(mm) |
0.417 |
0.315 |
0.213 |
0.122 |
0.102 |
0.081 |
净孔径(mm) |
0.853 |
0.532 |
0.422 |
0.301 |
0.216 |
0.173 |
有效面积% |
45 |
40 |
45 |
51 |
47 |
46 |
|